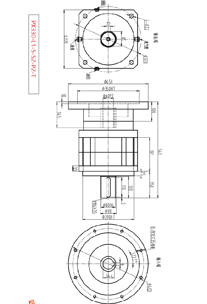
迈传PX330L1-5-S2-P2精密行星减速机外形图
 类别:减速机常见问题 文章出处:迈传减速机发布时间:2023-07-11 16:17:05 浏览人次:4240  
 
 
			 迈传减速机专注行业齿轮减速机定制生产供应,PX330单级行星减速机常用数比型号:PX330L1-4-S2-P2、PX330L1-5-S2-P2、PX330L1-8-S2-P2,额定输出扭矩范围4080-10190NM,PX330L1-5-S2-P2满载效率95%,采用合成脂润滑,长效润滑,PX330L1-5-S2-P2防护等级IP65,法兰精度DIN42955-R,安装方式任意安装都行。迈传PX330L1-5-S2-P2精密行星减速机外形图如下:
	
	
	
	
			  
              
            



 此文关键词:PX330L1-5-S2-P2,精密行星减速机,单级行星减速 
      


			





